Сповіщення по SMS
Повернення протягом 14 днів
Краща ціна
Кур'єром за адресою
Новою поштою по Україні
Безготівковий розрахунок
Visa/MasterCard
Liqpay
Privat24
Станції насосні побутові серії AUTPS призначені для забезпечення безперебійного водопостачання котеджів, дач, господарських об'єктів і інших споживачів чистою водою з колодязів, свердловин, збірних резервуарів, водопроводів та інших джерел. Станції автоматично підтримують необхідний тиск в системі водопостачання, самостійно включаючись і відключаючи в міру витрати води споживачами.
Обмеження:
▪ перекачується рідина: вода або інші рідини, подібні з водою по щільності і хімічної активності
▪ загальна мінералізація води, не більше 1500 г / м³
▪ показник рН 6,5 - 9,5
▪ вміст механічних домішок, не більше 20 г / м³
▪ максимальний розмір часток, не більше 0,05 мм
▪ максимальна температура перекачується рідини: +40 ° С
▪ максимальна температура навколишнього середовища: +40 ° С
▪ максимальний робочий тиск: 0,6 МПа (6 бар)
Конструктивні характеристики:
▪ виконана на базі вихрового самовсмоктуючого електронасоса
▪ корпус насосної камери з чавуну
▪ колесо робоче - вихровий, виконано з латуні
▪ вал з нержавіючої сталі AISI 304
▪ ущільнення торцеве - графіт / кераміка / NBR / AISI 304
▪ вбудований зворотний клапан на всмоктуючому патрубку
▪ реле тиску механічне
▪ гідроакумулятор з вуглецевої сталі об'ємом 1л
▪ укомплектований кабелем живлення
Двигун:
▪ асинхронний двополюсний з короткозамкненим ротором, з самовентиляцією
▪ ступінь захисту IP44
▪ клас ізоляції В
▪ однофазне виконання з встановленими в коробку висновків конденсатором
▪ вбудована в обмотку двигуна захист від перевантажень з автоматичним перезапуском
▪ напруга живлення: 220 В, 50 Гц
▪ режим роботи: тривалий
Характеристики
Принцип дії вихровий
Напруга живлення: 220 В, 50 Гц
Споживана потужність, Вт: 370
Тип приєднання патрубків різьблення
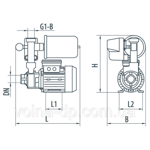
Вхідний патрубок: G1-B
Вихідний патрубок: G1-B
Максимальний напір, м: 40.0
Максимальна продуктивність, м³ / год: 2.10
Оптимальний напір, м: 24.00
Оптимальна продуктивність, м³ / год: 0.90
Максимальна висота всмоктування, м: 8
Тип рідини чиста вода
Максимальна температура рідини, що перекачується, ° С: 35
Захист від сухого ходу немає
Мінімальна температура перекачується рідини, ° С: 1
Максимальний розмір часток, мм: 0.05
Обсяг бака, л: 1
Шнур електроживлення, довжина, м: 1.5
Матеріал робочого колеса: латунь
|
чавун |
|
|
70 |
|
|
Побутовий |
|
|
Від мережі |
|
|
1" |
|
|
1 |
|
|
36 |
|
|
від 30 до 40 м |
|
|
латунь |
|
|
немає |
|
|
20 |
|
|
є |
|
|
2.1 |
|
|
до 1 кВт |
|
|
відцентрові |
|
|
до 3 м³/год |
|
|
8 |
|
|
220 |
|
|
24 |
|
|
290*185*305 |
|
|
Побутовий |
|
|
Китай |



















